badger meter
M1000
M1000
辽宁 大连市
1
Badger Meter是一家流量测量、水质和控制产品这个行业的创新者,为世界各地的自来水公司、市政当局以及商业和工业客户提供服务。主要生产流量测量和控制设备。产品销往世界各地,主要用于对流体进行测量和控制。产品主要包括:流量计,涡轮流量计,电磁流量计,控制阀等。
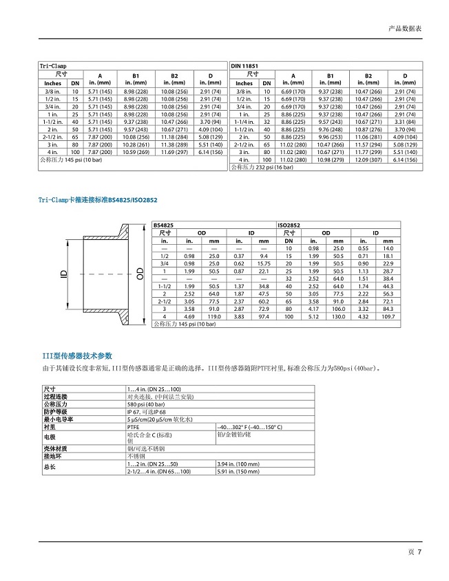
Badger Meter电磁流量计有五款,分别是M1000、M2000、M3000、M4000和M5000.
迪纳森水处理技术(大连)有限公司为中国区域的销售代理商。
关于迪纳森
迪纳森水处理技术(大连)有限公司是化学品加药,水质测控,水处理消毒相关应用产品经销与技术服务商。主要负责相关国外品牌设备在中国区宣传推广、经销管理、应用服务。 在中国,我们是下列国外公司的代理商: 德国sera ProDos GmbH sera计量泵,sera磁力泵;西班牙PeriBest pumps S.L. 软管泵;瑞典Primozone Production AB 臭氧发生器 美国 Advantage Controls 冷却循环水测控系统 ,水质仪表和传感器;西班牙 HIDRACAR S.A. HIDRACAR阻尼器;德国 BEHNCKE GmbH BEHNCKE 紫外线UV 我们引入中国的产品还有美国 KLORIGEN次氯酸钠发生器,日本TACMINA公司的无脉冲计量泵等。 我们有专业工厂,从事加药系统,测控系统,粉炭投加系统及RO反渗透装置等集成设备的装配与制造。










